Bồn nước inox Tân Á Đại Thành – Giải pháp lưu trữ nước an toàn, bền bỉ và hiệu quả
Bồn nước inox Tân Á Đại Thành là sản phẩm nổi bật trong ngành công nghiệp lưu trữ nước, được thiết kế và sản xuất theo tiêu chuẩn chất lượng cao, mang đến sự an tâm và tiện lợi cho người sử dụng.
1. Chất liệu cao cấp, bền bỉ
-
Sản phẩm được làm từ chất liệu inox SUS304/SUS316 cao cấp – loại inox không gỉ, an toàn với sức khỏe con người và thân thiện với môi trường.
-
Bề mặt inox sáng bóng, chống ăn mòn hiệu quả trước các tác động từ môi trường như axit, muối, hay tia UV.
2. Kiểu dáng đa dạng, đáp ứng mọi nhu cầu
- Bồn nước đứng: Tiết kiệm diện tích, phù hợp với không gian nhỏ, khả năng chịu lực tốt.
- Bồn nước ngang: Tăng độ ổn định khi lắp đặt ở những nơi có gió mạnh, phù hợp cho các công trình lớn hoặc vùng cao.
Bồn nước inox Tân Á Đại Thành 3. Dung tích phong phú
Bồn nước inox Tân Á Đại Thành có dung tích đa dạng, từ 300 lít đến 30.000 lít, đáp ứng nhu cầu sử dụng nước của cả hộ gia đình và các công trình lớn.
4. Công nghệ sản xuất hiện đại
-
Sản phẩm được sản xuất trên dây chuyền công nghệ tiên tiến, đảm bảo độ chính xác cao trong từng chi tiết.
-
Hệ thống hàn tự động bằng khí Argon giúp các mối hàn đẹp, bền chắc và chống rò rỉ nước.
5. Tính năng vượt trội
-
An toàn sức khỏe: Inox SUS304 không bị thôi nhiễm các chất độc hại vào nguồn nước, đảm bảo nước luôn sạch và tinh khiết.
-
Dễ vệ sinh: Bề mặt sáng bóng giúp việc vệ sinh bồn trở nên dễ dàng hơn.
-
Độ bền cao: Tuổi thọ lên đến hàng chục năm, khả năng chịu được thời tiết khắc nghiệt và tác động cơ học.
6. Bảo hành và dịch vụ hậu mãi
-
Bồn nước inox Tân Á Đại Thành được bảo hành 12 năm, khẳng định chất lượng vượt trội.
-
Toàn Phát hỗ trợ giao hàng miễn phí toàn quốc, đảm bảo sản phẩm đến tay khách hàng nhanh chóng và an toàn.
7. Ứng dụng linh hoạt
- Thích hợp cho các hộ gia đình, cơ sở kinh doanh, nhà hàng, khách sạn, và các công trình xây dựng.
- Sử dụng để lưu trữ nước sinh hoạt, nước công nghiệp hoặc các loại chất lỏng không ăn mòn.
Với sự kết hợp hoàn hảo giữa chất lượng, độ bền và tính năng ưu việt, bồn nước inox Tân Á Đại Thành là lựa chọn lý tưởng để bảo vệ nguồn nước sạch cho gia đình và các công trình của bạn. Liên hệ Toàn Phát ngay hôm nay để được tư vấn và sở hữu sản phẩm chính hãng với giá ưu đãi!

Bồn nước inox Tân Á Đại Thành là sản phẩm được ưa chuộng nhất của các nhà thầu xây dựng, sản phẩm không thể thiếu cho mọi công trình. Bồn nước inox 6000L Đại Thành có 2 loại: bồn nước inox 6000L đứng và bồn nước inox 6000L nằm ngang
Tân Á Đại Thành uy tín số 1 Việt Nam - Sản phẩm chất lượng vượt thời gian
Thương hiệu bồn nước Tân Á Đại Thành đã quá đỗi quen thuộc với người tiêu dùng Việt suốt nhiều thập kỉ qua. Là tập đoàn cung ứng sản phẩm, giải pháp chuyên biệt, đồng bộ hóa nguồn nước sinh hoạt/công nghiệp hàng đầu Việt Nam, Tân Á Đại Thành đã được chính phủ vinh danh “thương hiệu quốc gia”.
Với những sản phẩm chất lượng kiến tạo từ bàn tay khối óc người Việt và nỗ lực cải tiến không ngừng, từ lâu, thương hiệu Tân Á Đại Thành đã trở thành cái tên đầu tiên được nghĩ đến khi nhắc về thiết bị bồn nước, tiêu biểu là bồn nước inox Tân Á Đại Thành.
Trải dài khắp mọi miền đất nước từ Bắc vào Nam, nơi đâu ta cũng dễ dàng bắt gặp những chiếc bồn nhựa xanh dương thân thuộc in logo Tân Á Đại Thành. Tiếng tăm thương hiệu đã, đang và ngày một vươn xa không chỉ bởi sản phẩm chất lượng mà còn liên tục được nâng cấp về mặt chất liệu, tính năng, đáp ứng yêu cầu ngày càng khắt khe của người dùng. Cùng tìm hiểu về một trong những loại bồn nước nhựa tiêu biểu, bồn nước inox 6000L và máy nước nóng năng lượng mặt trời chính hãng 
Cam kết của NPP Toàn Phát
Bồn nước inox 6000L Đại Thành đứng được làm bằng inox 304 không gỉ
- Tính năng vượt trội của các tất cả các bồn nước inox 6000 lít là được cấu thành từ 100% vật liệu inox SUS304, hiện là dòng inox được đánh giá cao và chiếm lòng tin người tiêu dùng nhất thị trường. Inox SUS304, tên gọi khác là thép không gỉ, được cấu tạo từ hợp kim crom, magan, nito và pha trộn ít biến màu, có độ dẻo, bền rất cao, bề mặt trơn mượt. Sở hữu đầy đủ tính năng của dòng inox cao cấp này, bồn nước Inox 6000L Đại Thành có khả năng chịu lực, chịu nhiệt, chống ăn mòn, rò rỉ, chống bám rêu mốc, chống oxy hóa cực tốt, không phản ứng với axit, phản ứng từ kém. Cũng nhờ chất liệu inox SUS304 rất mềm dẻo, không cứng và thô như một số loại inox chất lượng kém khác mà khả năng tiết kiệm năng lượng cũng được nâng cao.

Chất liệu inox cao cấp để sản xuất bồn nước inox Đại Thành
- Sản phẩm bồn nước Inox có dung tích từ 300 lít đến 3000 lít, được sản xuất trên dây chuyền công nghệ hàn lăn tiên tiến, nguyên vật liệu là thép không gỉ SUS 304 siêu bền đảm bảo vệ sinh an toàn thực phẩm, bề mặt vật liệu có độ bóng cao, đảm bảo tính thẩm mỹ cho kiến trúc công trình, đáp ứng nhu cầu sử dụng nước sạch của các hộ gia đình, nhà hàng, khách sạn.
- Đặc biệt bồn nước Inox công nghiệp có dung tích từ 10.000 đến 30.000 lít được chế tạo trên dây chuyền máy móc thiết bị tiên tiến nhất thế giới khẳng định được chất lượng sản phẩm đáp ứng nhu cầu sử dụng cho các khu chung cư cao tầng và nhà máy công nghiệp.

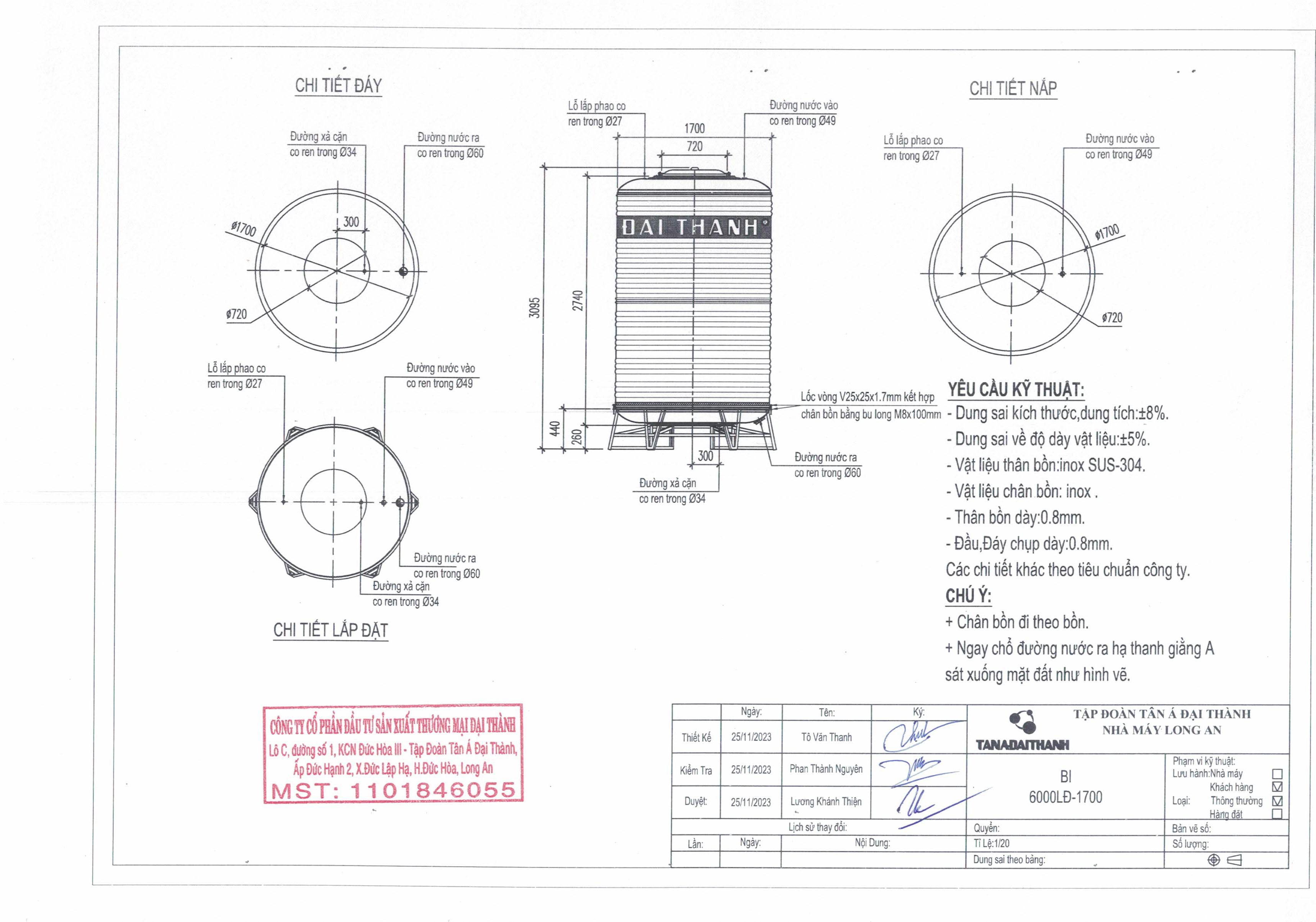
Bản vẽ bồn nước inox Đại Thành 6000 lít đứng Bồn nước inox 6000L Đại Thành đứng có những tính năng nổi bật sau:
- Vật Liệu Inox Sus 304: Sản phẩm bồn nước được chế tạo bằng vật liệu thép không gỉ SUS 304 siêu bền.
- Công Nghệ Hàn Lăn Tự Động: Để đảm bảo độ bền và tính thẩm mỹ của sản phẩm, công nghệ hàn lăn tự động được ứng dụng sản xuất Bồn Inox SUS 304.
- Logo Dập Nổi Chống Hàng Giả: Công nghệ dập nổi giúp khách hàng tránh mua phải hàng giả, hàng nhái. Logo thể hiện rõ nét trên chụp bồn.
- Thời Gian Bảo Hành Và Tiêu Chuẩn Chất Lượng: Toàn bộ quá trình sản xuất được áp dụng theo hệ thống quản lý đạt tiêu chuẩn quốc tế ISO 9001: 2008. Nhằm khẳng định chất lượng tuyệt hảo, bồn Inox SUS 304 Đại Thành được bảo hành lên đến 12 năm.

Công nghệ dập liền nắp của Tân Á Đại Thành
TOÀN PHÁT – CHUYÊN GIA LẮP ĐẶT BỒN NƯỚC CHUYÊN NGHIỆP
Toàn Phát tự hào là đơn vị chuyên lắp đặt bồn nước inox và bồn nước nhựa hàng đầu, đảm bảo uy tín và chất lượng. Chúng tôi mang đến giải pháp tối ưu cho mọi nhu cầu sử dụng nước sinh hoạt và công nghiệp.
Sản phẩm cung cấp:
- Bồn nước inox: Chất liệu SUS304 cao cấp, dung tích từ 300 lít đến 30.000 lít, bảo hành 12 năm.
- Bồn nước nhựa: Làm từ nhựa LLDPE an toàn, bền bỉ, dung tích từ 300 lít đến 10.000 lít, bảo hành 25 năm.

Toàn Phát nhận thi công lắp đặt bồn nước
Dịch vụ lắp đặt chuyên nghiệp:
- Đội ngũ kỹ thuật viên giàu kinh nghiệm.
- Quy trình lắp đặt nhanh chóng, an toàn, đảm bảo đúng kỹ thuật.
- Hỗ trợ vận chuyển miễn phí toàn quốc.
- Lắp đặt bồn nước - có tính phí
- Hãy để Toàn Phát đồng hành cùng bạn trong việc xây dựng một hệ thống cấp nước hiệu quả và bền vững!
Bồn nước inox 6000L Đại Thành gồm 2 loại: bồn nước inox 6000L đứng và bồn nước inox 6000L nằm
Bồn nước inox 6000L Đại Thành được khoan sẵn các co nước vào, co nước ra, co gắn phao và co nước xả cặn. Các co nước có thể khoan lớn hơn hoặc nhỏ hơn theo nhu cầu sử dụng. Kích thước bồn nước inox 6000L Đại Thành đứng

Kích thước bồn nước inox 6000 lít đứng Lưu ý: bồn nước inox 6000L nêu trên có dung sai ±8% (theo bản công bố chất lượng sản phẩm). Các thông số trên có thể được thay đổi bởi nhà sản xuất mà không cần báo trước.

Kích thước bồn nước inox 6000 lít nằm
Bồn nước inox 6000L Đại Thành được lắp đặt trên mặt phẳng để đảm bảo an toàn
Vị trí lắp đặt an toàn cho bồn nước inox:
- Bồn nước inox 6000L được lắp đặt trên mặt phẳng, trên nền bê tông vững chắc và phải chịu lực ít nhất gấp 4 lần tải trọng của bồn chứa (tốt nhất các khu vực để bồn chứa bố trí các dầm chịu lực cho trần nhà).
- Vị trí lắp đặt không quá gần mép lan can, lối đi lại. Quan sát vị trí đặt sản phẩm hợp lý tránh nơi có nhiều người qua lại.
- Định vị bằng bulông vững chắc giữa chân với nền nhà và dùng lắp bulông liên kết giữa chân và thân bồn.
- Nếu có điều kiện thì nên có tường, bờ bao xung quanh (không cần quá cao, chỉ cần cao khoảng 1/3 chiều cao của thân bồn).
- Đối với các tháp nước cao nên có dây đai níu các phía tránh gió bão.
- Đậy kín nắp bồn nước tránh các vật bẩn rơi vào (đậy xong bẻ cong tai khóa để tránh bị bật).
Video hướng dẫn lắp đặt bồn nước inox 6000 lít
Lý do nên mua bồn nước inox 6000L Đại Thành tại TOANPHATGROUP.VN
- Cam kết 100% hàng chính hãng: TOANPHATGROUP.VN là nhà phân phối uy tín, được ủy quyền và cấp giấy chứng nhận bởi thương hiệu quốc gia Tập đoàn Tân Á Đại Thành
- Sản phẩm đa dạng: Mẫu mã, thiết kế liên tục cập nhật bồn nước công nghệ mới nhất tại showroom và website chính thức phục vụ khách hàng mua online.
- Nhanh chóng và chuyên nghiệp: Vận chuyển hoàn toàn miễn phí (chỉ một số tỉnh khó khăn trong vận chuyển có thể thu ít phí), giao hàng nhanh chóng chỉ trong vòng 24h - 48h tính từ lúc khách hàng chốt đơn hàng theo hotline chính thức 0903 737277
- An tâm, tin tưởng: Thanh toán tiện lợi tại nhà khi hoàn thiện hoặc quý khách có thể chuyển khoản, quẹt thẻ ATM
- Tư vấn tận tình dù khách hàng có thể không mua: Tôn chỉ nằm lòng bởi các tư vấn viên/ kỹ thuật viên với hơn 10 năm kinh nghiệm trong xử lý nguồn nước được chọn lọc. Mong muốn với mọi khách hàng đều sẽ có được sản phẩm tốt nhất, hài lòng nhất.
- Giá cả cạnh tranh: Để bảo vệ người tiêu dùng thông qua chính sách về giá (Không ngại xa - Luôn chuẩn giá)
- Chăm sóc khách hàng: Định kỳ hàng tháng bởi những đội ngũ tư vấn của chúng tôi - Đảm bảo sản phẩm luôn vận hành tốt
- Hưởng ưu đãi hàng tháng: Duy nhất chỉ có tại TOANPHATGROUP.VN những chương trình tri ân khuyến mại đặc biệt.
Toàn Phát giao bồn và hỗ trợ kéo bồn lên mái miễn phí
Toàn Phát không chỉ cung cấp các loại bồn nước chất lượng cao mà còn hỗ trợ khách hàng toàn diện trong quá trình vận chuyển, kéo lên mái và hướng dẫn lắp đặt. Dịch vụ bao gồm:
- Giao hàng tận nơi: Miễn phí giao hàng trên toàn quốc.
- Kéo bồn lên mái: Hỗ trợ đưa bồn lên mái nhà an toàn, đúng kỹ thuật. Hỗ trợ kéo các loại bồn nước inox dung tích từ 300 lít - 5000 lít( áp dụng khu vực TP.HCM, Hà Nội, Đà Nẵng)
- Hướng dẫn lắp đặt: Đội ngũ kỹ thuật giàu kinh nghiệm, hướng dẫn lắp đặt đúng tiêu chuẩn, sử dụng lâu bền.

Toàn Phát hỗ trợ kéo bồn nước lên mái miễn phí
Toàn Phát tự hào nhận thi công chân bồn nước inox và sắt kẽm với chiều cao linh hoạt từ 0.5m đến 2m, đảm bảo độ bền và an toàn tối đa cho mọi công trình.
Lý do chọn chân bồn nước Toàn Phát:
- Chất liệu cao cấp: Chân bồn được làm từ inox chống gỉ hoặc sắt kẽm mạ bền chắc, chịu lực và chống ăn mòn vượt trội.
- Thiết kế linh hoạt: Đáp ứng mọi yêu cầu chiều cao từ 0.5m đến 2m, phù hợp với địa hình lắp đặt và nhu cầu sử dụng.
- Độ an toàn cao: Cấu trúc vững chãi, đảm bảo bồn nước hoạt động ổn định, chống rung lắc, giảm nguy cơ đổ ngã.
- Thi công chuyên nghiệp: Đội ngũ kỹ thuật viên tay nghề cao, thực hiện nhanh chóng, chính xác và thẩm mỹ.
Toàn Phát luôn đồng hành cùng bạn trong mọi giải pháp lắp đặt bồn nước. Liên hệ ngay hôm nay để được tư vấn và hỗ trợ tận tâm!
Hình ảnh thực tế bồn nước inox Tân Á Đại Thành
Bồn nước inox Tân Á Đại Thành là giải pháp hoàn hảo cho mọi gia đình và công trình nhờ thiết kế hiện đại, chất liệu bền bỉ, và dung tích đa dạng. Sản phẩm được làm từ inox SUS304 cao cấp, không gỉ, an toàn tuyệt đối cho sức khỏe người dùng và đảm bảo nguồn nước luôn sạch sẽ.
Ưu điểm nổi bật của bồn nước inox Tân Á Đại Thành:
- Dung tích linh hoạt: Từ 300 lít đến 30.000 lít, phù hợp cho mọi nhu cầu sử dụng.
- Độ bền vượt trội: Chịu được mọi điều kiện thời tiết khắc nghiệt, tuổi thọ cao.
- Thiết kế thông minh: Hai kiểu dáng đứng và ngang, tiết kiệm không gian và phù hợp với mọi vị trí lắp đặt.
- Bảo hành dài hạn: Chính sách bảo hành 12 năm, mang đến sự an tâm tuyệt đối.
Với cam kết chất lượng và dịch vụ, Toàn Phát tự hào là đơn vị phân phối bồn nước inox Tân Á Đại Thành chính hãng, giao hàng miễn phí toàn quốc. Hãy chọn ngay sản phẩm bồn nước inox Tân Á Đại Thành để đảm bảo nguồn nước sạch và an toàn cho gia đình bạn!



















































.jpg)
.jpg)



















.jpg)
.jpg)
.jpg)
.jpg)
.jpg)
Bạn đang tìm kiếm bồn nước Tân Á Đại Thành chính hãng để đảm bảo nguồn nước sạch và an toàn cho gia đình hay công trình của mình? Đừng bỏ lỡ cơ hội sở hữu sản phẩm chất lượng cao, giá thành hợp lý tại Toàn Phát – nhà phân phối uy tín hàng đầu.
Hãy liên hệ ngay với Toàn Phát để đặt mua bồn nước Tân Á Đại Thành chính hãng hôm nay!
Thông tin liên hệ tư vấn bồn nước
CÔNG TY TNHH KINH DOANH TOÀN PHÁT
NPP TÂN Á ĐẠI THÀNH - SƠN HÀ - HWATA - TOÀN MỸ
Tư Vấn Bán Hàng: 028.3710 9655 - 028.3710 9656 - 0903. 737277
Tổng kho TPHCM: 639 Nguyễn Thị Thử, Hóc Môn, TPHCM
Email: kdtoanphat@gmail.com . Website: bonnuoc.com
Hotline 24/7: 0909.913.212
Địa chỉ các chi nhánh:
Gọi ngay Hotline: 0903 737 277 để được hỗ trợ nhanh chóng!
- CN 1: 639 Nguyễn Thị Thử, Hóc Môn, TPHCM
- CN 2: Lý Thường Kiệt, Tân Bình, TPHCM
- CN 3: Hiệp Bình Chánh, Thủ Đức, TPHCM
- CN 4: Bình Hưng, Bình Chánh, TPHCM
- CN 5: Phường Nghĩa Đô , Quận Cầu Giấy, Hà Nội
- CN 6: Thị Xã Phong Điền, Thành phố Huế.
- CN 7: Tân Phong, TP Lai Châu, Tỉnh Lai Châu.
- CN 8: Thành phố Điện Biên Phủ, Tỉnh Điện Biên.
- CN 9: Thành phố Sơn La,Tỉnh Sơn La
- CN 10: Thành phố Lạng Sơn, Tỉnh Lạng Sơn.
- CN 11: Thành phố Hạ Long, Tỉnh Quảng Ninh.
- CN 12: Thành phố Thanh Hóa, Tỉnh Thanh Hoá.
- CN 13: Phường Hòa Hiếu- TX Thái Hòa - tỉnh Nghệ An
- CN 14: Trần Phú, Tp Hà Tĩnh, Hà Tĩnh
- CN 15: Thành phố Cao Bằng, Tỉnh Cao Bằng.
- CN 16: Thành phố Tuyên Quang, tỉnh Tuyên Quang
- CN 17: Thành phố Lào Cai, Lào Cai
- CN 18: Thành phố Thái Nguyên, Thái Nguyên
- CN 19: Thành phố Việt Trì, tỉnh Phú Thọ
- CN 20: Thành phố Bắc Ninh, Bắc Ninh
- CN 21: Thành phố Hưng Yên, tỉnh Hưng Yên
- CN 22: Thành phố Thủy Nguyên, Hải Phòng
- CN 23: Thành phố Hoa Lư, Ninh Bình
- CN 24: Thành phố Đông Hòa, Quảng Trị
- CN 25: Mỹ Khuê, Q.Ngũ Hành Sơn, TP.Đà Nẵng
- CN 26: Thành phố Quảng Ngãi,tỉnh Quảng Ngãi
- CN 27: Thành phố Pleiku, Gia Lai
- CN 28: Thành phố Nha Trang, Khánh Hoà
- CN 29: Huyện Đức Trọng, tỉnh Lâm Đồng
- CN 30: Thành phố Buôn Ma Thuột, Đắk Lắk
- CN 31: TP. Biên Hòa, T.Đồng Nai
- CN 32: H.Tân Biên, T.Tây Ninh
- CN 33: TP.Vị Thanh, T.Hậu Giang
- CN 34: TP Vĩnh Long, Tỉnh Vĩnh Long
- CN 35: Huyện Cao Lãnh, Tỉnh Đồng Tháp
- CN 36: Vành Đai 1, P.9, TP.Cà Mau
- CN 37: TP.Long Xuyên, T.An Giang